

Johnson Pump
Johnson CM100HP Circulation Pump (25mm)
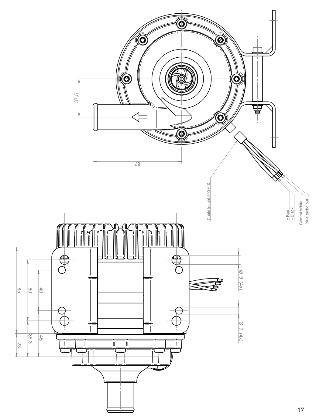
CM100HP Manual | CM100HP Catalogue
The CM100HP is a high-pressure, magnetically driven (seal-less), circulation pump with a DC motor designed for a 40 000-hour service life. The brushless motor of the CM100HP eliminates brush maintenance and related motor failures.
The CM100HP pump generates high flow, at a high pressure, for such demanding applications as cooling of electric circuits and batteries used on hybrid and full-electric buses, trains and other commercial vehicles. The durable design will also provide dependability on physically demanding applications such as agricultural equipment, construction and mining vehicles as well as on and off-road vehicles.
The CM100HP comes with IP6K9K and IP67 ratings to ensure the highest degree of reliability in the most demanding environmental conditions. These IP ratings ensure the pump to be waterproof, dustproof and to withstand salt and high-pressure/steam jet cleaning. The pump is also tested and approved to withstand shock and vibrations. The cast aluminum pump housing is also available in 2 port diameters: 25mm and 38mm.
The CM100HP is designed for speed control with 0-10V or PWM (Puls Width Modulation) control and offers security features such as; built-in thermal overload protection, built-in temperature limitation function, reversed polarity protection, voltage transients' protection, low voltage protection, internal current limitation and dry running protection.
Features & Benefits
• Nominal flow @ 1 bar
85 l/min (22.5 GPM) with connection ∅25mm (1")
85 l/min (22.5 GPM) with connection ∅38mm (1 ½")
• Designed for ambient temperatures of
-40°C to +105°C at at liquid temperature +93°C
(-40°F to +220°F at liquid temp +200°F)
• Magnetic drive (no shaft seal/ mechanical seal)
• Designed for continuous duty
• Long service life
• Wide temperature range
• Speed control
• Built-in thermal overload protection
• Derating, automatic speed control at overheating
• Tacho out signal
• Reversed polarity protection
• Low voltage protection
• Dry run protection
• Current limitation
• Voltage transients protection
• Enclosure; IP6K9K and IP67
