



Johnson Pump
JOHNSON PUMP Extra Heavy Duty, High Flow Electro-Magnetic Clutch Pump F95B-5000
Quantity:
With an Electro-Magnetic Clutch you will have pumping power whenever needed, at a push of a button, without being at the pump. Combined with a vacuum switch (recommended for bilge pump application), the clutch will automatically disengage whenever the pump starts priming air, thereby preventing dry running and pump damage.
- Limited 3 Year Warranty
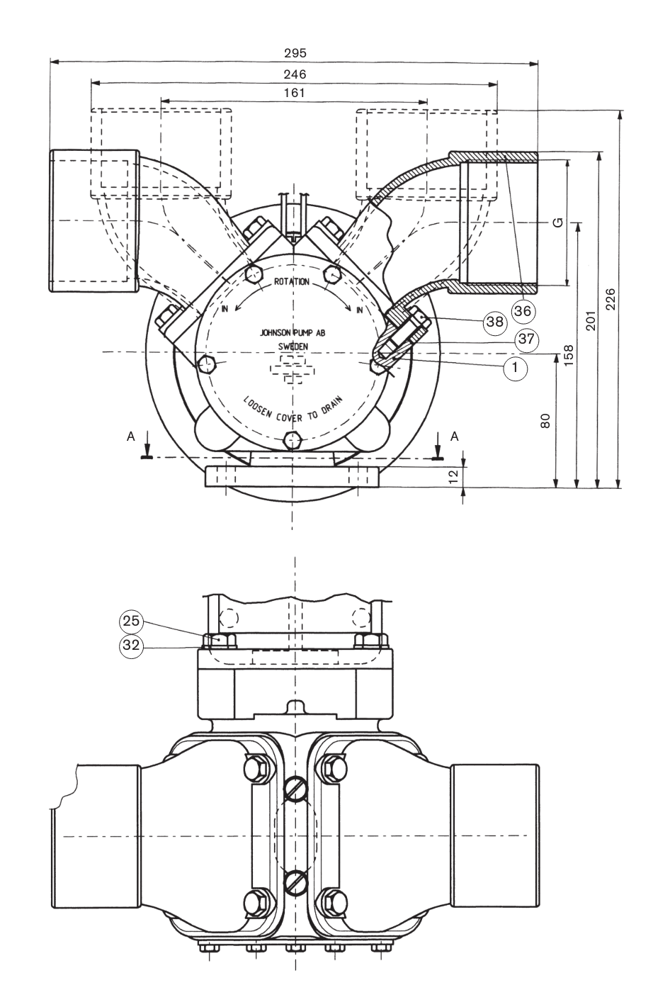
- FxB-5xxx = Flexible Impeller Pump, Bronze body, 5 = Pedestal mounted with double ball bearings and mechanical seal, magnetic clutch operated
- TSS - The Space Saver - horizontal flanges in a space saving design
- VF - Vertical Flanges
- Automatically controlled pumps are available in sizes from 1" to 2½" (20 L/min to 625 L/min), with clutches in 12 or 24 volts.
- Wear parts are easily replaceable and service kits are available for all standard models.
- Vacuum Switch as extra accessory
- Note! Clutch to be ordered separately

